Justin (M.Sc. student) is busy characterizing cemented ultramafic mine waste and conducting experiments to understand cementation processes and enhance CO2 storage and tailings stability. In the first phase of his research, Justin will carry out a comparative study of cemented kimberlite and serpentinite mine wastes, using physical, mineralogical, and geochemical analyses to provide valuable insight into the formation pathways of the minerals that cement these wastes. Secondly, he will use cylindrical and column experiments to evaluate the effectiveness of practical approaches of coupling organic and inorganic carbon cycling on accelerating the carbonation and cementation of brucite-bearing ultramafic wastes. This research will provide crucial knowledge towards understanding long-term weathering and developing novel approaches to accelerating this process to sequester CO2 and stabilize ultramafic wastes!
TSE Award Winners!
The Trent School of the Environment Awards Ceremony was this evening. Congratulations to Justin, Teanna, and Zivi on their awards! All three picked up a J.P. Bickell Foundation Scholarship in Mining. Zivi took home the top Environmental Geoscience First Year Award! Amazing, proud to have these superstars in the PowerGeolab!
Innovation for Cool Earth Forum (ICEF)
The Innovation for Cool Earth Forum (ICEF) Roadmap on Carbon Mineralization is now available, it was officially announced and presented at COP26 in Glasgow. I grateful for the opportunity to contribute to this document and work with this team! An excerpt from the Enhanced Rock Weathering chapter I wrote:
“Enhanced rock weathering (ERW) involves dispersing ultramafic or mafic rock powder over large areas, such as agricultural fields. Calcium‐ and magnesium‐bearing minerals in the rock powder then react with atmospheric CO2, trapping the CO2 in groundwater and solid carbonates.
ERW offers gigaton‐scale capacity to capture and permanently store CO2. The main advantages of ERW are the simplicity of the approach, consistency with current mining and agricultural practices, and co‐benefits that may include improved soil fertility in some areas. The main challenges of ERW are the lack of widely accepted methodologies for determining CO2 removal rates and concerns about environmental risks from accumulation of metals, including nickel and chromium.”
Visit the Innovation for Cool Earth Forum website
GAC-MAC 2021 at Western University
Last week, lab members were thrilled to attend the in-person GAC-MAC 2021 conference at Western University in London, Ontario! Justin and Teanna acted as Dr. Power's entourage while presenting his and Teanna's research on Atlin, British Columbia, as a terrestrial analogue to Jezero Crater, Mars. The Low-Temperature Mineralogy session was full of exciting research on magnesium carbonates from Ian and our Albertan colleagues. We found lots of inspiration for our next experiments back in the lab! Highlights of the trip for Teanna and Justin included attending expert-led workshops on Scanning Electron Microscopy and X-ray Diffraction. The highlight of the trip for Ian was winning a few games of pool against the graduate students. Overall, it was a much-needed break from virtual conferences, and we're looking forward to more! Thanks, Ian, for the opportunity to get outside of the lab... We'll be working on our pool in preparation for next time!
Greenmantle Mineral Tours
The lab group had a great time exploring and investigating the geology around Wilberforce and Bancroft, Ontario as part of our fieldwork to better understand Central Ontario’s geologic history. We saw amazing specimens of feldspar, apatite, quartz, hornblende, and the rare fluororichterite. So many great mineral sites that have been undisturbed! Thanks to Mark and Heather at Greenmantle Mineral Tours, wonderful hospitality and the group learnt lots. The maple syrup was a nice finish! Amanda stars in this photograph, fitting as this was her last day in the lab. Best of luck on your next adventure Amanda, wishing you all the best!
Evaluating feedstocks for carbon dioxide removal by enhanced rock weathering and CO2 mineralization
We published a new article in Applied Geochemistry!
Abstract. Mineralogically complex feedstocks, including kimberlite, serpentinite, and wollastonite skarns, have vast capacities to sequester carbon dioxide (CO2) through enhanced rock weathering and CO2 mineralization. However, only a small reactive fraction of these feedstocks will be accessible for carbon dioxide removal at Earth’s surface conditions. We have developed a new method to evaluate the reactivity of mineral feedstocks that consists of a batch leach test using CO2 coupled with total inorganic carbon (TIC) analysis to quantify easily extractable Mg and Ca from non-carbonate (desirable) cation sources. Kimberlite residues from the Venetia Diamond Mine (South Africa), serpentinites, wollastonite skarn, and brucite ore were tested and the results were compared to those from commercial ammonium acetate (NH4OAc) leach tests. A strong correlation (R2 = 0.99) between leached Ca and TIC showed that carbonate minerals (e.g., calcite in kimberlite) are a substantial and undesirable source of easily extractable cations that must be excluded in calculating CO2 sequestration potential. Silicate dissolution (e.g., serpentine) was inferred from the strong positive correlation (R2 = 0.94) between Mg and Si concentrations leached from kimberlites and serpentinites. Strong correlations between leached Ca and Si were only detected for wollastonite skarns, whereas Mg leaching from samples with high abundances of brucite showed weak or no relationship to TIC or Si. The ability to distinguish between sources (non-carbonate versus carbonate) of easily extractable cations is necessary to accurately assess CO2 sequestration potential. The maximum CO2 storage capacity of the Venetia kimberlites was 268–342 kg CO2/t, and our leach test estimated an accessible potential in the range of 3–9 kg CO2/t when only accounting for non-carbonate sources. Our CO2 batch leach test is useful to evaluate the reactivity of mineralogically complex feedstocks at Earth’s surface conditions for the purpose of carbon dioxide removal.
Carbonation, Cementation, and Stabilization of Ultramafic Mine tailings
We published a new article in Environmental Science & Technology.
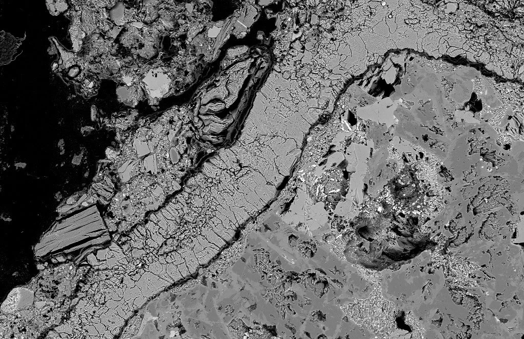
Abstract. Tailings dam failures can cause devastation to the environment, loss of human life, and require expensive remediation. A promising approach for de-risking brucite-bearing ultramafic tailings is in situ cementation via carbon dioxide (CO2) mineralization, which also sequesters this greenhouse gas within carbonate minerals. In cylindrical test experiments, brucite [Mg(OH)2] carbonation was accelerated by coupling organic and inorganic carbon cycling. Waste organics generated CO2 concentrations similar to that of flue gas (up to 19%). The abundance of brucite (2–10 wt.%) had the greatest influence on tailings cementation as evidenced by the increase in total inorganic carbon (TIC; +0.17–0.84%). Brucite consumption ranged from 64–84% of its initial abundance and was mainly influenced by water availability. Higher moisture contents (e.g., 80% saturation) and finer grain sizes (e.g., clay-silt) that allowed for better distribution of water resulted in greater brucite carbonation. Furthermore, pore clogging and surface passivation by Mg-carbonates may have slowed brucite carbonation over the 10 weeks. Unconfined compressive strengths ranged from 0.4–6.9 MPa and would be sufficient in most scenarios to adequately stabilize tailings. Our study demonstrates the potential for stabilizing brucite-bearing mine tailings through in situ cementation while sequestering CO2.
A carbonate rind surrounds unreacted brucite and cements serpentinite grains.
Lab social at Escape Maze!
The PowerGeolab had a great time at Escape Maze (www.escapemaze.com). Thanks for Amanda for organizing the day! It was wonderful to have everyone together and thankfully the weather was splendid. Hope we can do something again soon.
Virtual Goldschmidt 2021
A very successful Virtual Goldschmidt 2021! Our group gave five presentations on a wide range of topics from CO2 sequestration, enhanced rock weathering, tailings cementation, and biosignatures in carbonate minerals. Excellent work team!
Carlos Paulo - Direct measurement of CO2 fluxes into kimberlite residues and powdered rocks:
Implications for enhanced weathering
Amanda Stubbs - Direct measurement of CO2 fluxes into kimberlite residues and powdered rocks: Implications for enhanced weathering
Duncan McDonald - Assessing carbon balances through CO2 mineralization and enhanced rock weathering rates using field-deployable leaching columns
Justin Lockhart - Carbonation, cementation, and stabilization of ultramafic mine tailings through microbial CO2generation
Teanna Burnie - Morphological biosignatures within aragonite from magnesium carbonate environments analogous to Jezero Crater, Mars
Field columns at Trent
Field-deployable leaching columns at Trent University.
Now that spring is here, we are taking advantage of the nice weather and transitioning Duncan’s enhanced weathering columns to an experimental space on Trent’s campus. After 20 weeks of artificial weathering in the laboratory, we’re letting natural processes take over while monitoring the columns throughout the summer and into the fall. Real-world conditions will help us better understand these feedstocks’ weathering rates and their ability to sequester CO2 through enhanced rock weathering. During this second phase of the experiment, we will continue to track carbon as a solid, aqueous, and gaseous phases. These columns are designed for deployment at a mine site to monitor drainage chemistry and are being improved upon in our second prototype expected to be deployed in the coming weeks.
